# 1. 组合逻辑电路
- 定义: 输入输出物反馈延迟,且电路无记忆元件的电路
- 写出逻辑表达式并化简
- 列出真值表
- 分析逻辑功能
# 2. 组合逻辑电路的设计
- 设出输入,输出
- 根据电路逻辑功能列出真值表
- 由真值表写出逻辑表达式
- 画出逻辑图
# 3. 组合逻辑电路中的竞争 - 冒险
一个逻辑门的两个输入端信号同时向相反方向变化,而变化时间有差异,就会产生竞争。
通常为L=A+\overline{A}与L=A\overline
消去竞争 - 冒险,可以通过去除或补充减少 项
# 4. 典型组合逻辑电路
# 1. 编码器
$ 2^n 个输入 $
$ n 个输出 $

# 4.1 普通编码器


任何时刻只能有一个取值为 1
# 4.2 优先编码器

# 4.3 8-3 优先编码器


EI 输入使能端,EI=1 正常工作
GS 工作状态标志,GS=1 表示正常工作且至少有一个高电位
EO 输出使能端,EO 只有在输入全为 0 时为 1 用于组合多片相同元件

# 2. 译码器

# 4.4 2-4 译码器


使能端低电平有效
# 4.5 3-8 译码器

# 4.6 七段显示译码器


共阴极 1 亮 0 不亮
共阳极 0 亮 1 不亮
- 例题
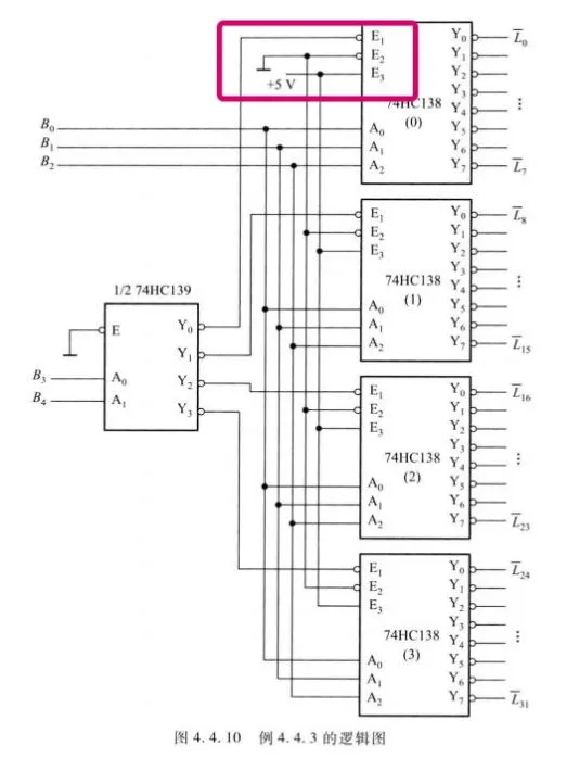
3-8译码器和2-4译码器构建5-32译码器

3-8 译码器实现函数
转化为

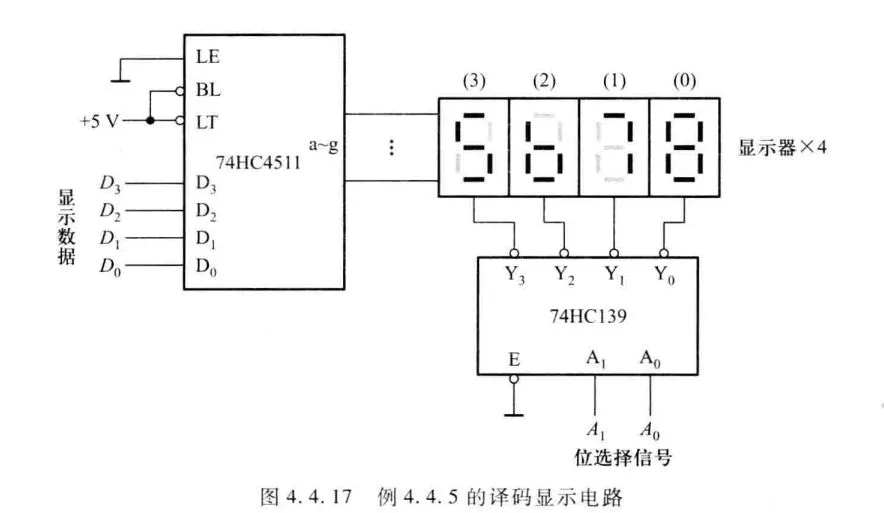
动态显示电路

$ A_1A_0 为 00,\overline {Y_0}=0,(0) 管工作,D_3D_2D_1D_0=1000,显示输出 8 $
# 3. 数据分配器
对于输入端 IN,只有特点地址 的 才能获得与 IN 一致的输出
# 4. 数据选择器


# 4.7 74HC151 8 选 1 选择器


# 5. 数值比较器


# 6. 半加器和全加器
半加器:不考虑进位
全加器:考虑进位运算