# 1. 基本 CMOS 逻辑门电路
CMOS 反相器
![]()
输入为低电平 NMOS截止,PMOS导通,输出高电平输入为高电平,NMOS导通,PMOS截止,输出低电平与非门电路

L=
当 A、B 都为高电平时输出才为低电平
或非门电路
L=\overline异或门电路

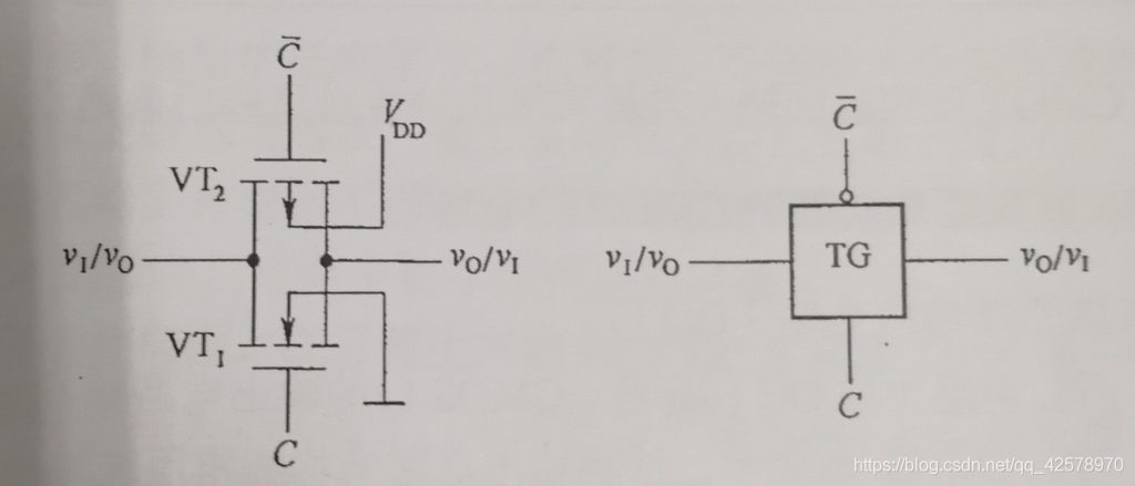
# 2. CMOS 传输门

当 C=1 传输门打开
C=0 传输门关闭
# 3. 三态输出门电路

E 为使能端,控制信号输入端
IN 为输入端
OUT 为输出端
| 使能端 EN | 输入端 A | 输出端 L |
|---|---|---|
| 1 | 0 | 0 |
| 1 | 1 | 1 |
| 0 | x | 高阻 z |
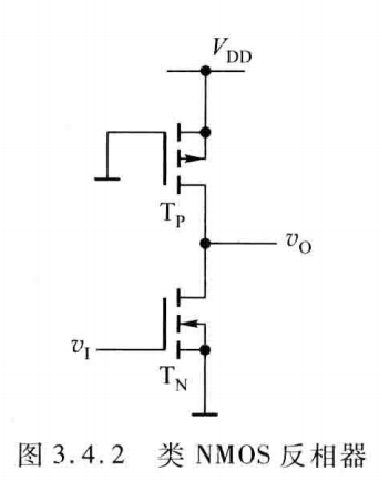
# 4. 类 NMOS 门电路
将 PMOS 端接地,使得 PMOS 端导通
- 类 NMOS 反相器
![]()
- 类 NMOS 与非门
![]()
L=\overline - 类 NMOS 或非门
![]()
L=\overline
# 5. 逻辑门等效
对于高电平使能的三态门,EN=1, 电路正常工作
对于低电平使能的三态门,EN=0,电路正常工作
带 上划线的为低电平有效



